Доставка
Аппарат, деталь гидравлических систем, который регулирует потоки рабочей жидкости. В гидроклапан входит запорно-регулирующий элемент, и путем изменения его положения изменяется проходное сечение гидроаппарата, благодаря чему меняются и потоки жидкости. Направляющие гидроклапаны (обратный, последовательности, выдержки времени) пропускают или не пропускают потоки жидкости при достижении заданных параметров, а регулирующие (предохранительный, редукционный, переливной) – управляют давлением в потоке жидкости. Бывают прямого действия (работают под воздействием потока жидкости) и непрямого (работают под воздействием регулирующего элемента).
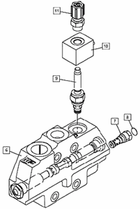
В качестве примера гидроклапана на КМУ
можно назвать гидравлический ЕV4615 — шариковый гидроклапан, предназначен для открывания и закрывания напорной гидравлической магистрали гидрораспределителя. Установлен на гидрораспределителе № 6.
Электрокатушка № 10 создает электромагнитное поле вокруг гидроклапана, тем самым заставляет шарик, находящийся в клапане, смещаться и запирать проходное отверстие.
Материал клапана: сталь.
Конструкция:
• Клапан — № 9;
• Электрокатушка — № 10;
• Колпачок — № 11;
• Секция гидрораспределителя — № 6.
Габаритные размеры: длина — 120 мм, диаметр — 20 мм.
